PCT报警 – 凯普电子
KEPO TECH Logo

KEPO-Piezo Electric Ceramics-PCT Alarm

PCT报警

凯普电子专注电声20年,拥有丰富的实践经验,为各行业开发蜂鸣器、传感器、换能器、报警器等,产品体积小、重量轻、厚度薄、功耗低、可靠性好、成本低,获得合作伙伴的一致好评。

项目 规格
最大输入电压 60Vp-p方波/最大
工作温度范围 -40 ~ +85℃
存储温度范围 -40 ~ +85℃
声压级 ≥105dB /56Vp‐p/ 3.4KHz/200cm

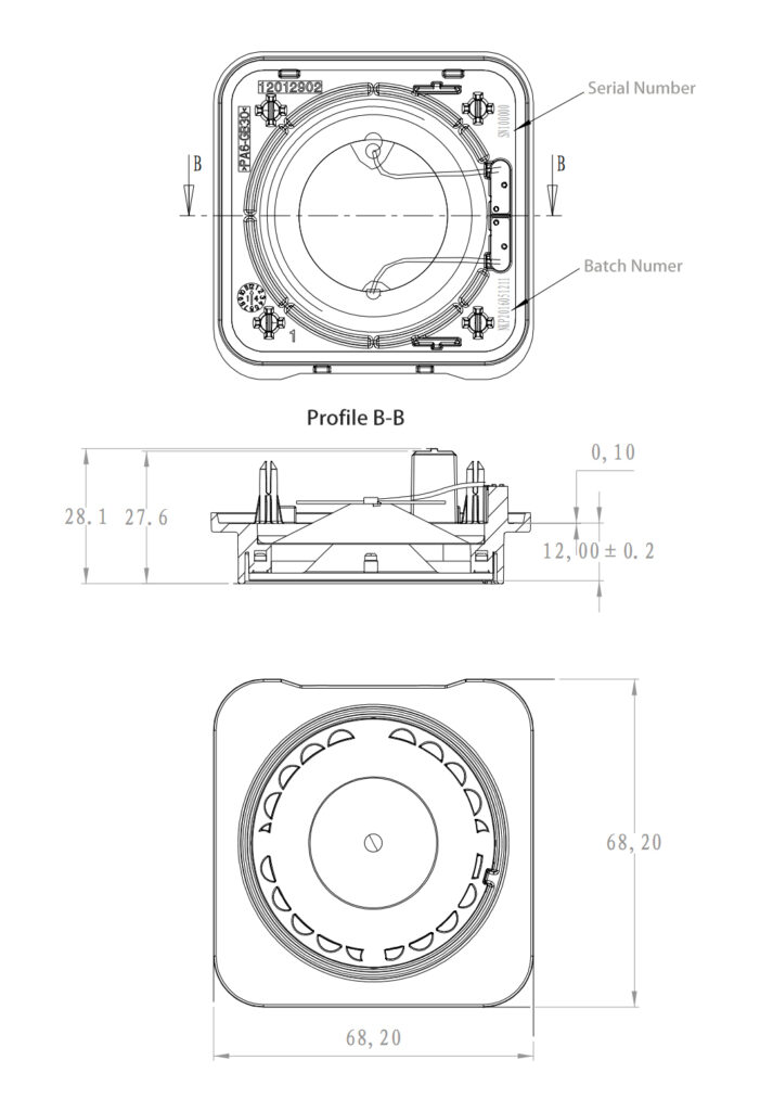
原理图

structure diagrammatic sketch of KEPO PCT Alarm

文件下载

KEPO Electronics e-Catalogue 2023

Know About

KEPO Tech

Our Plant

& Equipment

Our Services

Our Services

R & D

R & D

Applications

Applications

Product Portfolio

Product Portfolio

常见问题

我们专注于人工智能和物联网行业的 HMI 零部件、模块和智能产品,并在这些领域提供设计、生产、营销和服务等综合服务,根据客户需求创造新产品。

KEPO在雨塘工业区(主工厂)、红树工业区和高前工业区拥有三家工厂,工厂总面积约30000平方米,员工超过600人。是的,我们是一家贸易和制造公司,可以自行出口货物。

整个装配线由专业机器进行检查
对最终产品及其包装进行检验。

贸易条款包括FOB和CIF、C&F等,常用的付款方式有:T/T、30%的定金、70%的提货前付款。

需要要看订单数量和一年的季节,发货一般需要30-35天。

是的,现有样品、与买家确认研发的样品、正在开发的样品、大货确认样品都可以免费提供。但是,快递费用由买方承担。

产品查询

快 速 询 盘

填写下方表单,我们将在12小时内回复您,请注意后缀为“@chinaacoustic.com”的电子邮件

此外,如果您有更多的产品咨询或希望获得协商的解决方案,您可以访问“联系页面”,该页面提供了更详细的表格。

Inquiry: Ambient Light-208-0107-00018

我们的销售专家将在24小时内回复,请关注后缀为“@chinaacoustic.com”的邮件。